欢迎访问东莞市腾兴电子有限公司官网!
13827235568
开关系列
联系我们
您当前得位置:
SW-200DH
SW-200DD-B
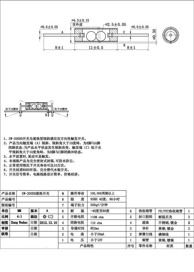
SW-200DD
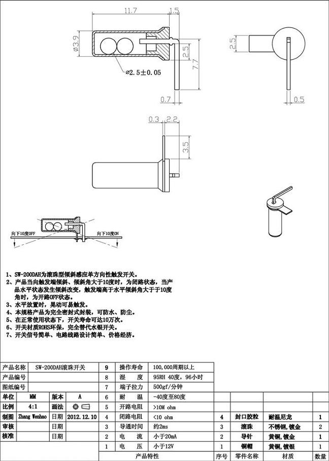
SW-200DAH
SW-200D
SW-108T
SW-108H
SW-106D
SW-100
SW-XTFL660
SW-XT660
SW-630
AT-1198
AT-1197A
AT-1187UP
AT-1187UN